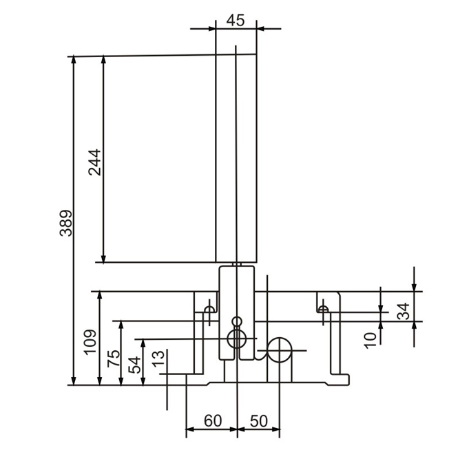
KJT-PK拉姆齊型兩極跑偏開關
- 產品系列:KJT-PK拉姆齊型
- 負載電流:AC380V 5A,DC24V 5A
- 觸點方式:常開1.常閉1;常開2. 常閉2.(訂貨時請注明)
- 復位方式:手動/自動
- 電器壽命:>10萬次
- 防護等級:IP65/IP67
凱基特KJT-PK拉姆齊型兩極跑偏開關系列廣泛應用于輸送機膠帶跑偏的檢測,防止由于膠帶跑偏造成物料溢出等故障。本機廣泛應用于礦山、電力及化工等行業的運輸系統中。
當運行中的膠帶發生跑偏時,膠帶邊緣帶立輥旋轉并擠壓立輥使之傾斜,若立輥傾斜大于動作角度時,立即發出開關信號,如立輥繼續傾斜大于二級動作角度時,則輸出另一組開關信號,兩組開關信號可分別用于告警或停機,膠帶機恢復正常運行后,立輥自動復位。

| 環境溫度 | -30℃~+50℃ |
| 相對濕度 | 不小于85% |
| 第一動作角度 | I:12°;II:10°;III:20° |
| 第二動作角度 | I:30°;II:40°;III:35° |
| 動作力 | 70-100N |
| 觸點數量 | 1個常開,1個常閉(可根據需要增加2組常開;2組常閉) |
| 觸點容量 | AC380V/5A |
| 復位方式 | 自動 |
| 可靠性 | >10萬次 |
| 防護等級 | IP65/IP67 |
| 重量 | 5Kg |






